产品
28圈电竞焊接/搬运专家
始于焊接,不止于焊接
始于焊接,不止于焊接
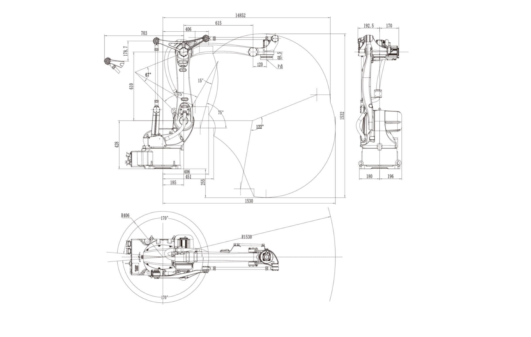
• 高速度、高精度、高稳定性,能适应更多的应用场景。
• 拉杆关节采用高防护设计,其寿命更长,防水防尘性能更好,且使用寿命内免维护。
• 配备专用冲压,码垛工艺包,定制化界面,使用操作更简单方便。
• J4轴采用刚性更强的减速机,承载能力更强。
• 重力补偿功能,在任意位姿都能保证机器人精度。
• 自适应加速度,提高机器人寿命,保证任意轨迹加速更合理,运动更高效。


